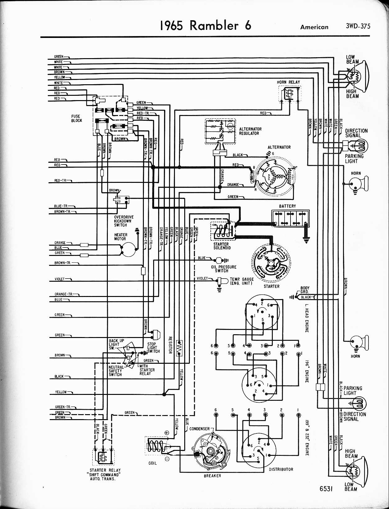
Schéma électrique AMC Rambler 1965 Voici 4 documents JPEG consacrés au schéma électrique d’ AMC Rambler 1965. Cliquez sur les images ci-dessous pour plus de détails. Partager la publication "Schéma électrique AMC Rambler 1965" FacebookPinterestTumblrWhatsAppE-mail Navigation de l’article Previous Article précédent : Chevrolet 3100 1955Next Article suivant : Résultats Enchères Geared Online USA 2020