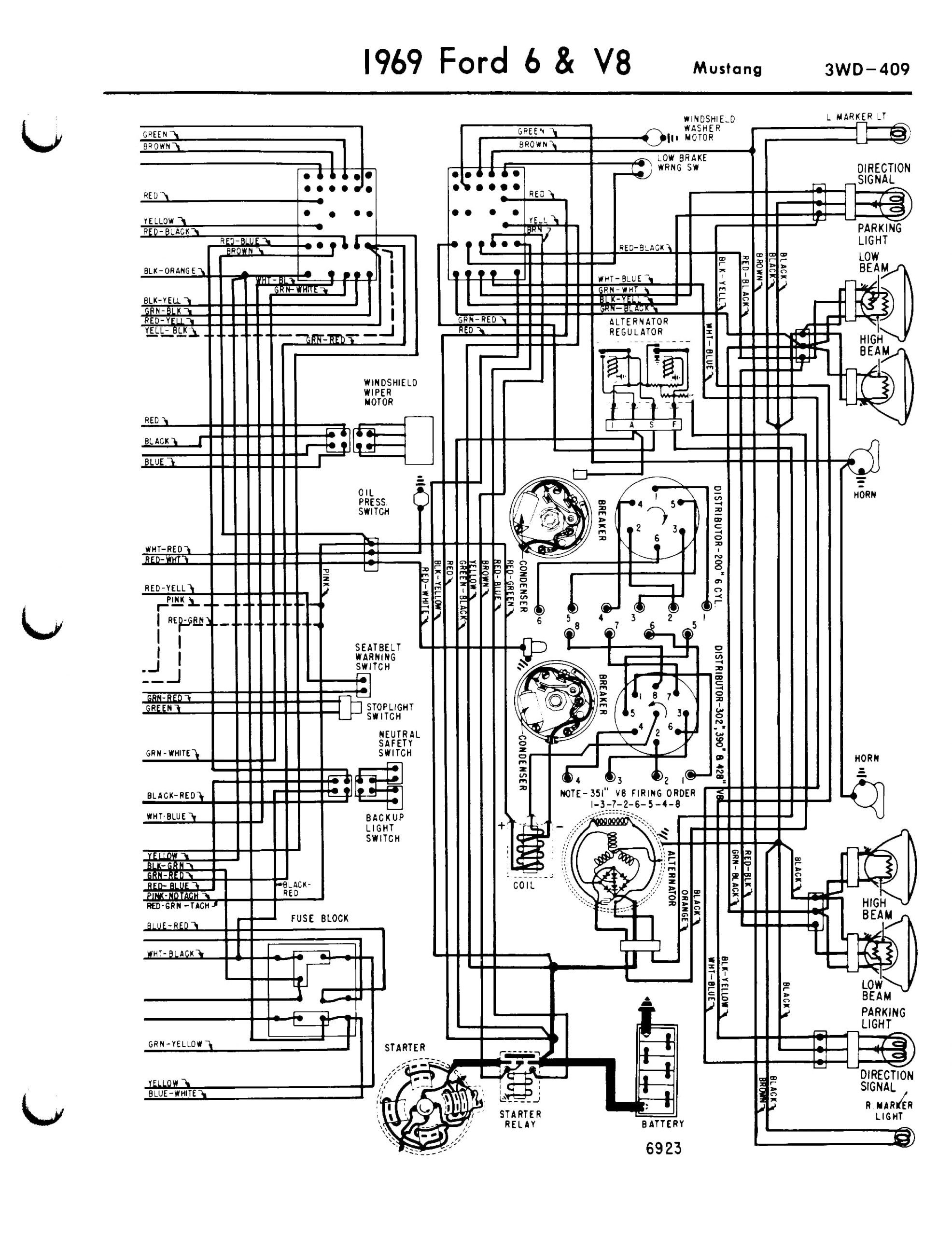
Voici trois documents PDF et JPEG qui pourront vous être utiles si vous recherchez des informations sur le schéma électrique de votre Ford Mustang 1969. Cliquez le lien PDF et sur les images ci-dessous pour plus de détails.
Schéma électrique Ford Mustang 1969


